Abs fuse

Thread Rating:
  • 0 Vote(s) - 0 Average
  • 1
  • 2
  • 3
  • 4
  • 5
Abs fuse
#1
Hi guys just quicky! Ha ha doing another trackday tomorow and I can't find me Haynes! Which fuse do I pull for the abs? As last one I done the abs Fooking pissed me off
[Image: SDC10442-1.jpg]
Reply
Thanks given by:
#2
Can't you just unplug the abs unit? As there might be other items sharing the fuse.
[Image: sig.jpg]
Reply
Thanks given by:
#3
ABS will be on its own dedicated fuse in the engine bay i would of thought. not got a clue which one though lol
Team Eaton


1999 China Blue 306 GTi6 - Eaton Supercharged - 214.5bhp 181lbft
Reply
Thanks given by:
#4
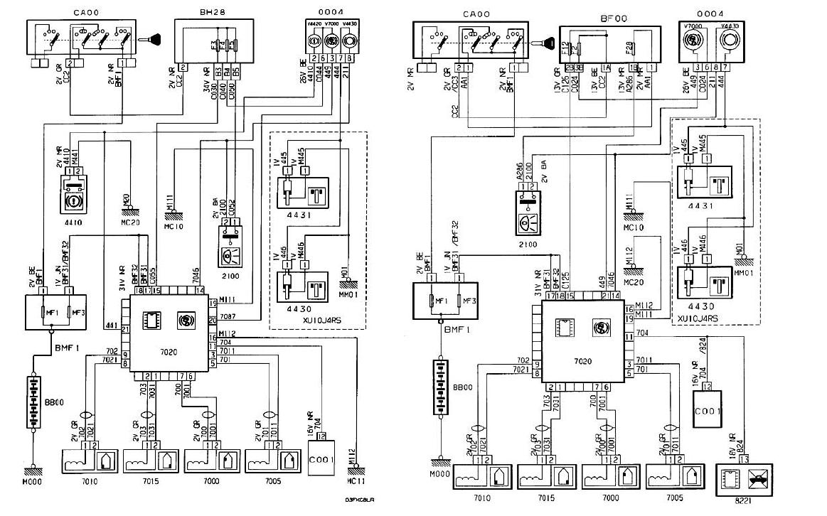
fuse F31 in the battery +ve one, engine bay i think. its a 30 amp one.
CLICKY
[Image: k6f9Fk]


Member of the 99% warning or you're nothing club
Reply
Thanks given by:
#5
Sam your a star I owe you a pint!!!
[Image: SDC10442-1.jpg]
Reply
Thanks given by:
#6
Awaits the 'done a trackday and wrote off the S16' thread lol. Tongue
Reply
Thanks given by:
#7
*removes permently from rallye*
[Image: 20A1806D-891D-40FB-BD52-AD519177A607-734...391753.jpg]
TEAM CONROD SHITTING RALLYE!
Reply
Thanks given by:
#8
(14-09-2012, 08:05 AM)Matt Wrote: *removes permently from rallye and minutes later, Ed Does it"

EFA
Team Eaton


1999 China Blue 306 GTi6 - Eaton Supercharged - 214.5bhp 181lbft
Reply
Thanks given by:
#9
Itwasntme
2 versions of the abs Wink

   
Reply
Thanks given by:
#10
(14-09-2012, 03:11 AM)Jonny b Wrote: Sam your a star I owe you a pint!!!

ill hold you to that Jonny man!
[Image: k6f9Fk]


Member of the 99% warning or you're nothing club
Reply
Thanks given by:
#11
(14-09-2012, 07:33 AM)Toms306 Wrote: Awaits the 'done a trackday and wrote off the S16' thread lol. Tongue

Oi I'll have you know Iam back now! Awsome day dusted a few scoobys and even a couple of caterhams and various other things, the old girl done well got there thrashed around for a day and got me home
[Image: SDC10442-1.jpg]
Reply
Thanks given by:


Forum Jump:


Users browsing this thread: 2 Guest(s)